單鍵兩路觸摸調光電路板功能說明
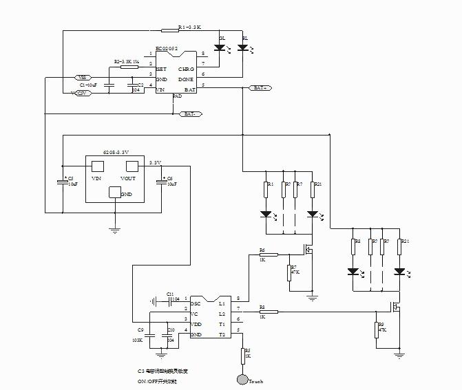
1、 輸入電源電壓DC=5V,3.7V鋰電池供電,充電電流300ma/H。
2、 上電不工作,有兩路LED燈,一路冷白LED1,一路暖白LED2,初始打開亮度50%。有一觸摸開關K1控制,短按循環轉換LED工作模式,
短按第1下LED1燈亮,
短按第2下LED2亮,LED1滅。
短按第3下全滅,依次循環。即冷白--暖白--滅待機。轉換時LED亮度不變。長按按鍵無極調光,長按第1次加亮度,長按第2次減亮度,循環。低亮度2%,高100。
3、參考電路圖:

深圳市麗晶微電子科技有限公司提供標準品并提供開發設計:
觸摸LED化妝鏡PCBA定制 小家電類IC芯片定制 觸摸開關臺燈PCBA定制
電源穩壓IC,DC/DC升壓IC 電子玩具類電子禮品類IC ASIC IC MASK IC芯片定制
提供標準品IC芯片及滿足客戶功能需求的單片機方案開發定制
同時和合作企業提供COB板邦定和PCBA貼片加工,根據客戶的需求提供COB線路板和部分的電子機芯及半成品定制。

